产品中心
PRODUCT CENTER
PRODUCT CENTER
文章推荐
天游TY8检测中心
联系人:尹经理
联系电话:13276363313
QQ:1138303036
公司地址:山东省潍坊市高新区光电路155号光电产业加速器(一期)
环境监测传感器
发布时间:2022-03-01 11:49:14
型号:TH-B4
品牌:天游TY8检测中心
环境监测传感器是一种能够检测环境中各种参数的设备,例如温度、湿度、气压、光照强度、风速和风向等,这些传感器的主要功能是将数据上传到上位机实现联网,以满足用户对被测物数据的测试、记录和存储的需求。
产品描述
一、环境监测传感器产品简介
山东天游TY8检测中心环境科技有限公司作为专业研发生产气象传感器的企业,一直致力于气象传感器和气象环境解决方案推广应用。具有完整的生产链、实力雄厚的技术团队和全面的营销团队,我们研发生产的传感器已广泛应用到智慧农业、气象监测、城市环境监测、风力发电、航海船舶、航空机场、桥梁隧道等领域,客户遍布全国各地,并取得了良好的社会效益和经济效益。
二、环境监测传感器产品特点
1、抗干扰能力强,具有看门狗电路,自动复位功能,保证系统稳定运行
2、高集成度,无移动部件,零磨损
3、免维护,无需现场校准
4、采用ASA工程塑料室外应用常年不变色
5、产品设计输出信号标配为RS485通讯接口(MODBUS协议);可选配232、USB、以太网接口,支持数据实时读取☆
6、可选配无线传输模块,最小传输间隔1分钟
三、环境监测传感器技术参数
1、空气温度:-40-60℃(±0.3℃);
2、空气湿度:0-100%RH(±3%RH);
3、大气压力:30-110Kpa(±0.25%);
4、噪声:30-120dB(±1.5dB)
5、功率:0.12W
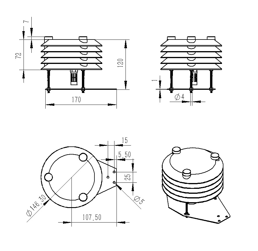
四、环境监测传感器产品尺寸图

五、环境监测传感器产品结构图

文章地址:http://www.koreatale.com/zhldqxhj/576.html
- 上一篇:十要素智慧灯杆环境传感器
- 下一篇:没有了!

您当前位置:






