气象传感器-微型气象仪厂家价格型号 网站地图
气象传感器生产厂家

做微型气象仪,防爆气象传感器优良供应商

咨询热线:
13276363313
电话
土壤养分测定仪-恒美农业仪器
位置 您当前位置:首页>>应用方案

智慧路灯环境传感器应用解决方案

作者:天游TY8检测中心环境科技有限公司更新时间:2022-05-05 16:51:51

概述

随着社会的不断进步和城市不断发展,环境监测越来越备受人民关注了,传统的环境监测已经不能满足现代城市的发展,传统的环境监测有诸多不便之处,例如监测设备功能单一,监测环境数据不全,监测设备间距离较远,环境监测数据收集后不能进行采集和集中整合,导致数据公布和更新比较麻烦。

为了克服现有技术存在的不足,目前市场上已经拥有了一种带有环境监测功能的智慧路灯,将路灯和环境监测设备相结合,提高环境监测模块的监测密度,环境监测模块与多种传感器相结合,实现监测数据的集中整合,达到采集的全面性。

作为专业研发生产销售微型气象仪的企业,山东天游TY8检测中心环境科技有限公司一直致力于微型气象仪和气象环境解决方案推广应用。具有完整的生产链、实力雄厚的技术团队和全面的营销团队,我们研发生产的超声波风速风向仪、五要素微气象仪、六要素微气象仪和小型自动气象站等气象产品,已广泛应用到气象监测、城市环境监测、风力发电、航海船舶、航空机场、桥梁隧道等领域,客户遍布全国各地,并取得了良好的社会效益和经济效益。

与传统的微型气象仪相比,我司产品克服了对高精度计时器的需求,避免了因传感器启动延时、解调电路延时、温度变化而造成的测量不准问题。

TH-WQX8型八要素微气象仪创新性地将气象标准参数(风速、风向、温度、湿度、气压、pm2.5、pm10、噪声)通过一个高集成度结构来实现,可实现户外气象参数24小时连续在线监测,通过数字量通讯接口将八项参数一次性输出给用户。产品结构紧凑,外形美观、大方、高度集成。

产品特点

1、顶盖隐藏式超声波探头,避免雨雪堆积的干扰,避免自然风遮挡(实用新型专利,专利号ZL 2020 2 3215713.X)☆

2、原理为发射连续变频超声波信号,通过测量相对相位来检测风速风向(发明专利,专利号ZL 2021 1 0237536.5)☆

3、风速、风向、温度、湿度、气压、pm2.5、pm10、噪声八要素一体式(实用新型专利,专利号ZL 2020 2 3215649.5)☆

4、采用先进的传感技术,实时测量,无启动风速☆

5、抗干扰能力强,具有看门狗电路,自动复位功能,保证系统稳定运行

6、高集成度,无移动部件,零磨损

7、免维护,无需现场校准

8、采用ASA工程塑料室外应用常年不变色

9、产品设计输出信号标配为RS485通讯接口(MODBUS协议);可选配232、USB、以太网接口,支持数据实时读取☆

10、可选配无线传输模块,最小传输间隔1分钟

11、探头为卡扣式设计,解决了运输、安装过程松动不准的问题☆

技术参数

1)风速:0~70m/s(±0.1m/s);(北京市气象局校准证书)☆

2)风向:0~360°(±1°);(北京市气象局校准证书)☆

3)空气温度:-40℃~85℃(±0.3℃);(北京市气象局校准证书)☆

4)空气湿度:0~100%RH(±2%RH);(北京市气象局校准证书)☆

5)大气压力:300hPa~1100hPa(±0.02hPa);(北京市气象局校准证书)☆

6)PM2.5:0-1000ug/m3(±15%)

7)PM10:0-1000ug/m3(±15%)

8)噪声:30~130dB(±1.5dB)

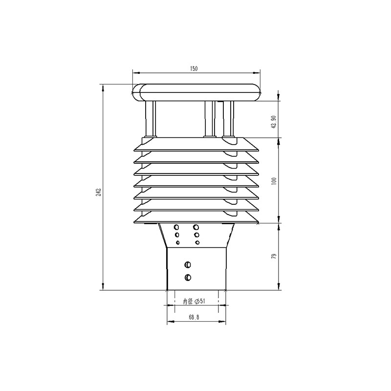
产品尺寸图

图片1.png

产品结构图

图片2.png


1、控制电路

2、指北箭头

3、超声波探头

4、百叶箱PM2.5、PM10

5、温度、湿度、噪声、气压监测位置

6、法兰转换头

※此产品可选配电子罗盘功能


应用图片




文章地址:http://www.koreatale.com/jjfa/599.html
返回

网站地图